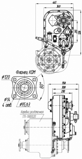
Коробки отбора мощности "УРАЛ"
Продавец: #28182
Страна регистрации: Россия
Город: Набережные Челны
Фирма: ЗТО КОМ
Наличие на складе: В наличии
Страница компании: https://korobka-kom.com-bis.com/
Договорная
Телефон: 8552367327
E-mail: ztokom@mail.ru
Описание

ООО «НЕДРАКАМ» предлагает Вашему вниманию Широкий ряд моделей КОМ на шасси импортных и отечественных автомобилей с механическим, пневматическим, электрическим и вакуумным управлением для коммунальных машин, автокранов, автоцистерн и другой спецтехники различного назначения. КОМ предназначена для отбора мощности от коробки передач и направление этой силы на привод различных установок для спец. машин из сфер служб: дорожной, горно-шахтной, коммунальной, строительной, лесной, нефтепромысловой, буровой и других. Коробка отбора мощности – это наиболее экономичный способ привода гидронасосов, поэтому гидросистема мобильных спецмашин без неё обойтись не может. Управление КОМ может производиться посредством гидравлики, пневматики и пневматики по электронному сигналу. Управление КОМ с помощью пневматики требует наличия на борту шасси сжатого воздуха. Этот воздух отбирается из тормозной системы шасси. Несколько слов о монтаже КОМ. Самый распространенный вариант - это КОМ с одной ступенью. Такая коробка крепится на корпус КПП слева или справа, что определяет в дальнейшем направление вращения вала гидронасоса, если конечно движение органов обеспечивается гидроприводом. Между корпусом коробки и КПП кладётся уплотнительная прокладка и пластина-проставка из металла, для изменения расстояния между осями ведомой и основной шестерён. Паронитовыми прокладками регулируется межосевое расстояние шестерён.

Похожие товары
Характеристики
торговая марка/производитель ООО "Завод технологического оборудования "КОМ"
страна производства Россия
Общие
торговая марка/производитель ООО "Завод технологического оборудования "КОМ"
страна производства Россия
Коробки отбора мощности "УРАЛ"
Павел
31 Августа, 16:09
Телевизор сам по себе хороший за свои рубли, понравилось, что включается сразу в меню контента, если не оставили на каналах, как на обычных самсунгах, на андроиде очень круто, голосовое тоже хорошо (встроеный мик в пульте) , только им и пользуюсь, но одну звезду отнял из-за... ютьюба... почему-то голос с видео... разнятся по скорости, вот это прям минус! А так норм, взял детям такой же, только на 32 дюйма.
Павел
31 Августа, 16:09
Телевизор сам по себе хороший за свои рубли, понравилось, что включается сразу в меню контента, если не оставили на каналах, как на обычных самсунгах, на андроиде очень круто, голосовое тоже хорошо (встроеный мик в пульте) , только им и пользуюсь, но одну звезду отнял из-за... ютьюба... почему-то голос с видео... разнятся по скорости, вот это прям минус! А так норм, взял детям такой же, только на 32 дюйма.
Павел
31 Августа, 16:09
Телевизор сам по себе хороший за свои рубли, понравилось, что включается сразу в меню контента, если не оставили на каналах, как на обычных самсунгах, на андроиде очень круто, голосовое тоже хорошо (встроеный мик в пульте) , только им и пользуюсь, но одну звезду отнял из-за... ютьюба... почему-то голос с видео... разнятся по скорости, вот это прям минус! А так норм, взял детям такой же, только на 32 дюйма.